工业设备、工业展台、电气测试设备、医疗设备、机器人、测试仪器、转台、自动化设备等;

| 产品等级选型表 | |||
| 产品等级代号 | 最高转速 | 工作寿命 | 密封件 |
| VC(通用级) | 100RPM | 600万转 | 国内知名品牌密封件 |
| VD(工业级) | 300RPM | 2000万转 | 进口密封件 |
| 技术规格参数 | |||
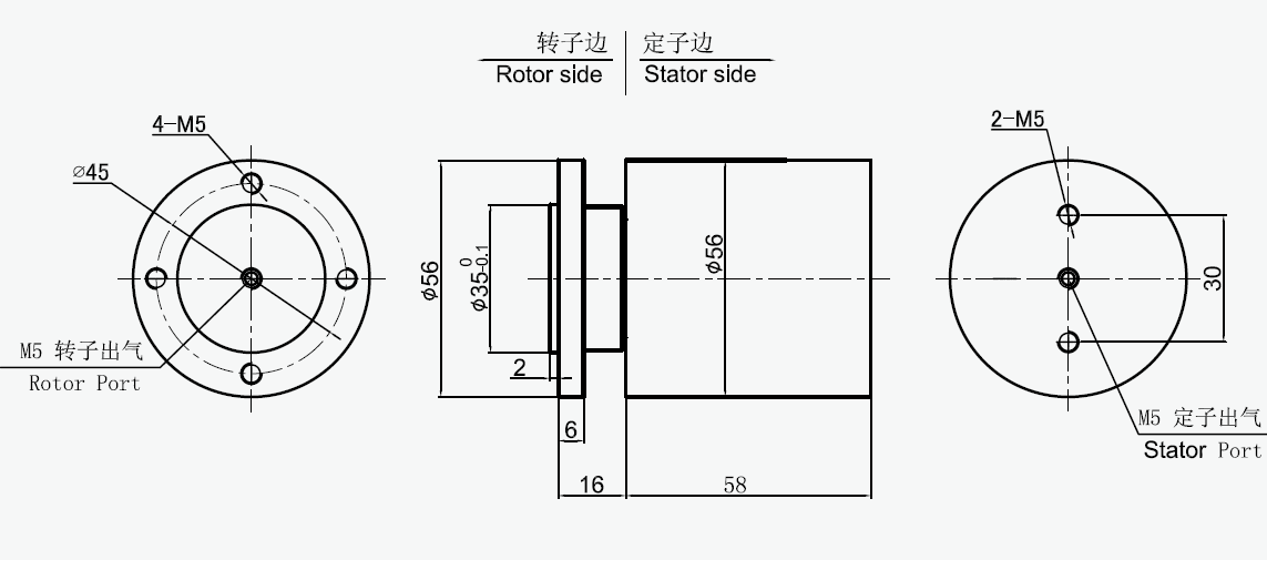
| 机械技术指标 | 旋转接头部分技术指标 | ||
| 参数 | 数值 | 参数 | 数值 |
| 工作寿命 | 参考产品选型等级 | 通道数 | 1进1出 |
| 额定转速 | 参考产品选型等级 | 最大压力 | 10MPa (可定制高压),真空 0.01torr |
| 工作温度 | -30℃~80℃ | 可过介质 | 空气,真空,液压油,水,热水,冷却液,蒸汽等 |
| 工作湿度 | 0~85% RH | 扭矩 | 与接口尺寸相关,详见选型表 |
| 密封件 | 参考产品等级选型表 | ||
| 壳体材料 | 铝合金/钢 | ||
| 防护等级 | IP51 | ||
经过多年的经验积累,默孚龙拥有20万多个产品3D图档数据库,
由于互联网的开放性和同行竞争,需要产品3D图档的客户请留下电子邮箱或者QQ。
审核完联系方式后,我们的系统将在5分钟内把3D自动发动到您的电子邮箱!