过孔式导电滑环是目前工业滑环里面性价比最高,最畅销的一个系列产品,主要应用于360度连续旋转且需要保证电源,信号不能中断的场合:如各种雷达,安防设备,娱乐设备,各种机器人、机械手,各种浮空器,各种风力发电设备吹瓶机,灯检机,各种转台,游乐游艺设备,虚拟3D,VR设备, 车载卫星天线,船载卫星电线,电缆卷筒,擦窗机设备,旋转餐桌,旋转舞台,旋转屏幕,旋转餐厅,电动工程机械,最新的VR模拟仿真设备等。;

| 产品等级选型表 | |||
| 产品等级代号 | 最高转速 | 工作寿命 | 接触材料 |
| VC(通用级) | 250RPM | 2000万转 | 贵金属 |
| VD(工业级) | 600RPM | 8000万转 | 镀金-镀金 |
| VH(高端级) | 1000RPM | 1.5亿转 | 金合金 |
| 技术规格参数 | ||||
| 机械技术指标 | 电气技术指标 | |||
| 参数 | 数值 | 参数 | 数值 | |
| 工作寿命 | 参考产品选型等级 | 功率 | 信号 | |
| 额定转速 | 参考产品选型等级 | 额定电压 | 0~690VAC/VDC | 0~440VAC/VDC |
| 工作温度 | -30℃~80℃ | 绝缘电阻 | ≥1000MΩ/500VDC | ≥1000MΩ/500VDC |
| 工作湿度 | 0~85% RH | 导线规格 | AWG16#镀锡铁氟龙 | AWG22#镀锡铁氟龙 |
| 接触材料 | 参考产品等级选型表 | 导线长度 | 标准长度300mm(可据要求调整) | |
| 壳体材料 | 铝合金 | 绝缘强度 | 800VAC@50Hz,60s | |
| 转动扭矩 | 0.1N.m;+0.03N.m/6路 | 动态电阻变化值 | <0.01Ω | |
| 防护等级 | IP51 | |||
| MT2586F系列过孔滑环选型表 | |||||||||
| 型号 | 10A | 信号或5A | 长度 L(mm) | 型号 | 10A | 信号或5A | 长度 L(mm) | ||
| MT2586F-S02 | 0 | 2 | 31.6 | MT2586-P1210-S12 | 12 | 12 | 106.4 | ||
| MT2586F-P0210 | 2 | 0 | 31.6 | MT2586-P1810-S06 | 18 | 6 | 106.4 | ||
| MT2586F-S03 | 0 | 3 | 35 | MT2586F-P2410 | 24 | 0 | 106.4 | ||
| MT2586F-P0310 | 3 | 0 | 35 | MT2586F-S30 | 0 | 30 | 126.8 | ||
| MT2586F-S06 | 0 | 6 | 45.2 | MT2586F-P0610-S24 | 6 | 24 | 126.8 | ||
| MT2586F-P0210-S04 | 2 | 4 | 45.2 | MT2586F-P1210-S18 | 12 | 18 | 126.8 | ||
| MT2586F-P0410-S02 | 4 | 2 | 45.2 | MT2586F-P1810-S12 | 18 | 12 | 126.8 | ||
| MT2586F-P0610 | 6 | 0 | 45.2 | MT2586F-P2410-S06 | 24 | 6 | 126.8 | ||
| MT2586F-S12 | 0 | 12 | 65.6 | MT2586F-P3010 | 30 | 0 | 126.8 | ||
| MT2586F-P0210-S10 | 2 | 10 | 65.6 | MT2586F-S36 | 0 | 36 | 150.2 | ||
| MT2586F-P0310-S09 | 3 | 9 | 65.6 | MT2586F-P0610-S30 | 6 | 30 | 150.2 | ||
| MT2586F-P0610-S06 | 6 | 6 | 65.6 | MT2586F-P1210-S24 | 12 | 24 | 150.2 | ||
| MT2586F-P0810-S04 | 8 | 4 | 65.6 | MT2586F-P3610 | 36 | 0 | 150.2 | ||
| MT2586F-P1010-S02 | 10 | 2 | 65.6 | MT2586F-S42 | 0 | 42 | 170.6 | ||
| MT2586F-P1210 | 12 | 0 | 65.6 | MT2586F-P0610-S36 | 6 | 36 | 170.6 | ||
| MT2586F-S18 | 0 | 18 | 86 | MT2586F-P1210-S30 | 12 | 30 | 170.6 | ||
| MT2586F-P0210-S16 | 2 | 16 | 86 | MT2586F-S48 | 0 | 48 | 193.2 | ||
| MT2586F-P0410-S14 | 4 | 14 | 86 | MT2586F-P0610-S42 | 6 | 42 | 193.2 | ||
| MT2586F-P0610-S12 | 6 | 12 | 86 | MT2586F-P0910-S39 | 9 | 39 | 193.2 | ||
| MT2586F-P0810-S10 | 8 | 10 | 86 | MT2586F-P1210-S36 | 12 | 36 | 193.2 | ||
| MT2586F-P1010-S08 | 10 | 8 | 86 | MT2586F-P1810-S30 | 18 | 30 | 193.2 | ||
| MT2586F-P1210-S06 | 12 | 6 | 86 | MT2586F-P2410-S24 | 24 | 24 | 193.2 | ||
| MT2586F-P1410-S04 | 14 | 4 | 86 | MT2586F-S60 | 0 | 60 | 234 | ||
| MT2586F-P1610-S02 | 16 | 2 | 86 | MT2586F-P0610-S54 | 6 | 54 | 234 | ||
| MT2586F-S24 | 0 | 24 | 106.4 | MT2586F-P0910-S51 | 9 | 51 | 234 | ||
| MT2586F-P0410-S20 | 4 | 20 | 106.4 | MT2586F-P1210-S48 | 12 | 48 | 234 | ||
| MT2586F-P0610-S18 | 6 | 18 | 106.4 | MT2586F-S72 | 0 | 72 | 277.8 | ||
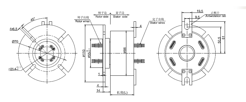
标准图纸
|








经过多年的经验积累,默孚龙拥有20万多个产品3D图档数据库,
由于互联网的开放性和同行竞争,需要产品3D图档的客户请留下电子邮箱或者QQ。
审核完联系方式后,我们的系统将在5分钟内把3D自动发动到您的电子邮箱!