工业机器加工中心、旋转工作台、重型设备塔台、电缆卷盘、包装设备、磁性离合器、工艺控制设备、旋转传感器、紧急照明设备、机器人、展览/显示设备、医疗设备、旋转门等;

| 技术规格参数 | ||||
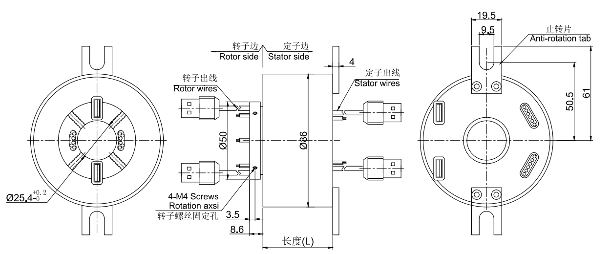
| USB部分技术指标 | 机械技术指标 | |||
| 参数 | 数值 | 参数 | 数值 | |
| USB | USB1.0,USB2.0 | 工作寿命 | 2000万转 | |
| 接头 | USB TYPE-A 母头 | 额定转速 | 600RPM | |
| 误码率BER | 10E-11 | 工作温度 | -30℃~80℃ | |
| 电气技术指标 | 工作湿度 | 0~85% RH | ||
| 参数 | 数值 | 接触材料 | 金-金 | |
| 功率 | 信号 | 壳体材料 | 铝合金 | |
| 额定电压 | 0~440VAC/VDC | 0~440VAC/VDC | 转动扭矩 | 0.1N.m;+0.03N.m/6路 |
| 绝缘电阻 | ≥1000MΩ/500VDC | ≥1000MΩ/500VDC | 防护等级 | IP51 |
| 导线规格 | AWG16#镀锡铁氟龙 | AWG22#镀锡铁氟龙 | ||
| 导线长度 | 标准长度300mm(可据要求调整) | |||
| 绝缘强度 | 500VAC@50Hz,60s | |||
| 动态电阻变化值 | <0.01Ω | |||








经过多年的经验积累,默孚龙拥有20万多个产品3D图档数据库,
由于互联网的开放性和同行竞争,需要产品3D图档的客户请留下电子邮箱或者QQ。
审核完联系方式后,我们的系统将在5分钟内把3D自动发动到您的电子邮箱!